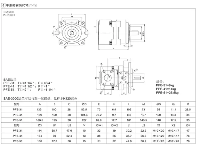
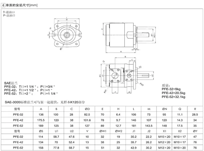
ATOS阿托斯定量葉片泵PFE-31010/1DT PFE-41029 PFE-51090液壓泵
內曲線徑向柱塞式液壓馬達的選用及使用事項
內曲線徑向柱塞式液壓馬達是一種多用途低速大轉矩液壓馬達,具有尺寸小、重量輕、轉矩脈動小、徑向力平衡、啓動效率高,并能在很低的速度下穩定地運轉等優點。
一、選用的原則
1、在內曲線徑向柱塞式液壓馬達的典型結構中,以橫梁式內曲線徑向柱塞式液壓馬達及球塞式內曲線徑向柱塞式液壓馬達的使用比較普遍。當轉矩比較大時,可選用橫梁式內曲線徑向柱塞式液壓馬達,對于比較小的轉矩,可任選兩者之一。
2、內曲線徑向柱塞式液壓馬達適用于低速大轉矩的傳動裝置中,如果參數適當,則可以不用齒輪箱減速而直接傳力,節省減速器的費用,而且體積小,結構緊湊,安裝方便。
3、對于輸出軸承受徑向力的場合,隻能選擇橫梁式內曲線徑向柱塞式液壓馬達,球塞式內曲線徑向柱塞式液壓馬達在一般情況下因不能承受此力,故不能選用。
4、對于系統壓力較高的場合,例如,大于16MPa時,適宜選用橫梁式內曲線徑向柱塞式液壓馬達,小于該壓力則可根據需要任意選擇兩者之一。

二、使用時應注意的事項
1、內曲線徑向柱塞式液壓馬達在使用前應向殼體內灌滿清潔的工作液,以保證滾輪副等的潤滑。
2、內曲線徑向柱塞式液壓馬達使用時必須保證一定的背壓,以避免滾輪副脫離導軌而引起撞擊,而且應隨著轉速的提高而提高背壓壓力,具體背壓值應根據使用說明書上的規定。
3、內曲線徑向柱塞式液壓馬達微調機構的作用是使配油處于特佳工況,以避免産生敲軌現象。該微調機構一般在出廠時已經調好,非特殊情況不要隨便調動。
4、內曲線徑向柱塞式液壓馬達的外洩漏管要求接回油箱,若與回油管路相連,則須保證其壓力不超過一個大氣壓。
5、內曲線徑向柱塞式液壓馬達的進出油管在配油軸上時,應采用一段高壓軟管連接,以保證配油軸本身在配油套內處于浮動狀態,防止配油軸和配油套卡死。
6、液壓系統中的工作油液應嚴格保持清潔,過濾精度不低于25μm。
7、橫梁式內曲線徑向柱塞式液壓馬達的輸出軸容許承受徑向力,其最大值不超過使用說明書的規定值。球塞式內曲線徑向柱塞式液壓馬達的輸出軸無軸承支撐時,則不能承受徑向力。
8、JDM型徑向柱塞式液壓馬達使用時應注意以下幾點。
①液壓馬達在低于5~20r/min時會産生爬行現象,故對低速均勻性要求高的機械不宜使用。
②液壓馬達采用4~8°E50(50℃的恩氏黏度)的純淨礦物油,推薦采用68號全損耗系統用油。工作油溫一般爲20~50℃。工作油中不允許含有直徑大于0.05mm的固體雜質。
③液壓馬達允許在最大壓力22MPa下運轉,但連續運轉時間必須減小到每小時運轉6min。
④液壓馬達與負載軸連接時,兩軸線務必同軸。液壓馬達有3個溢流孔,使用時接最高位置的溢流孔,馀者堵死。溢流壓力不超過0.1MPa。
9、內曲線徑向柱塞式液壓馬達出油口應具有0.5~1MPa左右的背壓。
內曲線徑向柱塞式液壓馬達是一種不可逆的液壓元件,其出油口應具有0.5~1MPa左右的背壓。避免滾輪副脫離導軌而引起噪聲、撞擊和零件損壞等現象。







PFE 31028/ 5DW
PFE-31016/1DT 20 PFE-31016/1DU
PFE-31022/1DT 20 PFE-31022-1DU
PFE-31028/ 1DT PFE-31028/1DT 20
PFE-31036/1DT PFE-31036/1DT 20
PFE-31044/1DT 20 PFE-31044/5DT PFE-31044-1DT
PFE-32036/3DT 20 PFE-32036/3DU 20
PFE-41029/1DT
PFE-41045/1DT 20
PFE-41070-10V
PFE-41085/10D PFE-41085/1DT 20
PFE-42045/3DW 20
PFE-42056/3DT PFE-42056/3DT 20
PFE-51090/1DT PFE-51090-1DT
PFE-51150/1DT 20
PFED 54110/045/1 DVO
PFED-43045/016/1DTA PFED-43045/028-1DT0 PFED-43045/044/1DTO
PFED-43070/028/1DWB20 PFED-43070/044/1DV0 20
PFED-43085/016 PFED-43085/016/1DVO 20 PFED-43085/022 PFED-43085/028 PFED-43085/036
PFED-43085/044 PFED-43085/044/1DUO 20
PFED-54110/037/1DTO
本文由蘇州逐利機電整理發布,如需轉載請瀏覽來源及出處,原文地址:http://www.wangzhezhibo.com/yyyb/205.html






留言信息