沃特JPWORLD HG2-125-01R-VPC-36 80/100/160 內嚙合 伺服 齒輪泵









葉片泵概述及選擇原則
一、葉片泵概述
①葉片泵分單作用非卸荷式(即轉子轉一圈,隻有一次吸油與壓油過程)和雙作用卸荷式(即轉子轉一圈,有兩次吸油與壓油過程)兩種。前者轉子和軸受單向力,承受較大彎矩,故稱非卸荷式。后者的吸油孔與壓油孔都是徑向相對的,軸隻受轉矩,不受彎矩,故稱卸荷式。
單作用式葉片泵,由于可以采用改變定子和轉子間偏心距的方法來調節流量,所以一般適宜做成變量泵。但相對運動部件多,洩漏較大,調節不便,不適于高壓。
雙作用葉片泵隻能做成定量泵。它壓力較高,輸油較均勻,應用廣泛。定量葉片泵可以制成單級、雙級(兩個泵的油路串聯,壓力為單級泵的兩倍)、雙聯(兩個泵的油路并聯,采用共同軸傳動,可獲得多種流量)以及複合葉片泵(雙聯葉片泵加上控制閥組合而成)。
②葉片泵結構緊湊,外形尺寸小,運轉平穩,輸油量均勻,脈動及噪聲較小,耐久性好,使用壽命長,價格較柱塞泵便宜。
③葉片泵效率一般比齒輪泵高。吸油高度一般不大于500mm。
④葉片泵一般用于中、快速度,作用力中等的液壓系統中。中、小流量的葉片泵常用在節流調節的液壓系統里;為了避免過大損失,大流量的葉片泵隻用在非調節的液壓系統里,常見的工作場合有機床、油壓機、起重運輸機械、工程機械、塑料注射機等。
二、葉片泵選擇原則
①根據液壓系統使用壓力來選擇葉片泵若系統常用工作壓力在10MPa以下,可選用YB1系列或YB-D型葉片泵;若常用工作壓力在10MPa以上,應選用高壓葉片泵。
②根據系統對噪聲的要求選泵一般來說,葉片泵的噪聲較低,且雙作用葉片泵的噪聲又比單作用泵(即變量葉片泵)的噪聲低。若主機要求泵噪聲低,則應選低噪聲的葉片泵。
③從工作可靠性和壽命來考慮雙作用葉片泵的壽命較長,如YB1系列葉片泵的壽命在1萬h以上,而單作用葉片泵、柱塞泵和齒輪泵的壽命就較短。
④考慮污染因素葉片泵抗污染能力較差,不如齒輪泵。若系統過濾條件較好,油箱又是密封的,則可以選用葉片泵。否則應選用齒輪泵或其他抗污染能力強的泵。
⑤從節能角度考慮為了節省能量,減少功率消耗,應選用變量泵,最好選用比例壓力、流量控制變量葉片泵。采用雙聯泵甚至三聯泵也是節能的一種方案。
⑥考慮價格因素價格是一個市要的因素。在保證系統可靠一工作的條件下,為降低成本,應選用價格較低的泵。在選擇變量泵或雙聯泵時,除了從節能方面進行比較外,還應從成本等多方面進行分析比較。
KHG0系列:
KHG0-10-01R-VPC KHG0-08-01R-VPC KHG0-13-01R-VPC KHG0-16-01R-VPC KHG0-20-01R-VPC
KHG1系列:
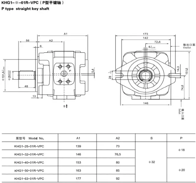
KHG1-25-01R-VPC KHG1-32-01R-VPC KHG1-40-01R-VPC KHG1-50-01R-VPC KHG1-63-01R-VPC
KHG2系列:
KHG2-63-01R-VPC KHG2-80-01R-VPC KHG2-100-01R-VPC KHG2-125-01R-VPC KHG2-145-01R-VPC KHG2-160-01R-VPC
本文由蘇州逐利機電整理發布,如需轉載請瀏覽來源及出處,原文地址:http://www.wangzhezhibo.com/yyyb/148.html






留言信息