JPWORLD沃特KHG2-80-01R-VPC齒輪泵液壓125/100/160/63油泵KHG1

液壓系統的油箱結構設計
(一)結構簡介
長期以來,液壓油箱的結構型式,基本上是由矩形闆折邊壓形成四棱柱,再用封闆堵住兩側而構成。端部封闆及中間隔闆由沖壓成形,箱體是經四次壓圓角,接頭外焊接而成的。這種結構的液壓油箱制造工藝較差,主要表現在箱體鋼闆下料時要求的精度較高;壓形的反彈量因每次供貨鋼闆的機械性能不同有所不同,導緻箱體的圓角與襯闆的半徑吻合不良;不同機型上的液壓油箱必須使用自己專用的一套壓型模具。每套模具的體積大、造價高、利用率低。箱底面及端部,以及箱底面和側面分別折成U形斷面;再焊好加油口和中間隔闆等附件后,扣合拼焊而成。這種結構的液壓油箱具有以下優點:下料精度要求不高;對原材料機械性能適應力強;折邊部位可隨意調整,適合多品種小批量生産;不用模具,大大節省了費用,縮短了生産周期等等。這種結構的液壓油箱,近年來被我們廣泛應用在工程機械、建筑機械等行走機械上。
(二)結構設計通過對油箱的了解,壓裝機的油箱,是單件的生産,因此,采用拼焊的方法焊接而成。進行油箱結構設計時,首先考慮的是油箱的剛度,其次考慮便于換油和清洗油箱以及安裝和拆卸油泵裝置,當然,從企業的方面考慮,油箱的結構應該盡量簡單,以利于密封和降低造價。
(1)油箱體由A3鋼闆焊接而成,取鋼闆厚度3~6mm,箱體大者取大值,本壓裝液壓機的油箱闆厚度為4mm。在油箱側壁上安裝油位指示器。在油箱與隔闆垂直的一個壁上常常??清洗孔,以便于清洗油箱。
(2)油箱底部采用傾斜的方式,用焊接方法與壁闆焊接而成,采用這種結構,便于排油,底部最低處有排油口,排油口與基礎面的距離為150mm,焊接結構油箱,油箱用A3鋼闆,其厚度等于側壁鋼闆的厚度為4mm。
(3)油箱隔闆為了使吸油區和壓油區分??,便于回油中雜質的沉淀,油箱中一般需設置隔闆。隔闆的安裝方式主要有兩種,第一種:回油區的油液按一定方向流動,既有利于回油中的雜質、氣泡的分離,又有利于散熱。第二種:回油經過隔闆上方溢流至吸油區,或經過金屬網進入吸油區,更有利于雜質和氣泡的分離。
在多數的液壓系統設計中,采用隔闆的方式較多,主要為了將沉淀的雜質分??。隔闆的位置在油箱的中間,將吸油區和回油區分??,隔闆的高度,為最低油面的1/2。隔闆的厚度等于油箱側壁厚度。
(4)油箱蓋多用鑄鐵或鋼闆兩種材料制造,在油箱蓋上鉆下列通孔:回油管孔、通大氣孔(孔口有空氣濾清器)以及安裝液壓集成裝置的安裝孔。
(三)減少油箱噪音
防噪音問題是現代液壓系統機械裝備設計中必須考慮的問題之一。油路系統的噪音源,以泵站為首,因此,進行油箱設計時,從下列幾方面減輕噪音:
(1)油箱與箱蓋間增加防振橡皮墊:
(2)用地腳螺栓將油箱牢固固定在基礎上;
(3)油泵排油口用橡膠軟管與閥類元件相連接;
(4)回油管管接頭振動噪音較大時,改變回油管直徑或增設一條回油管,使每個回油管接頭的通路減少。








KHG0系列:
KHG0-10-01R-VPC KHG0-08-01R-VPC KHG0-13-01R-VPC KHG0-16-01R-VPC KHG0-20-01R-VPC
KHG1系列:
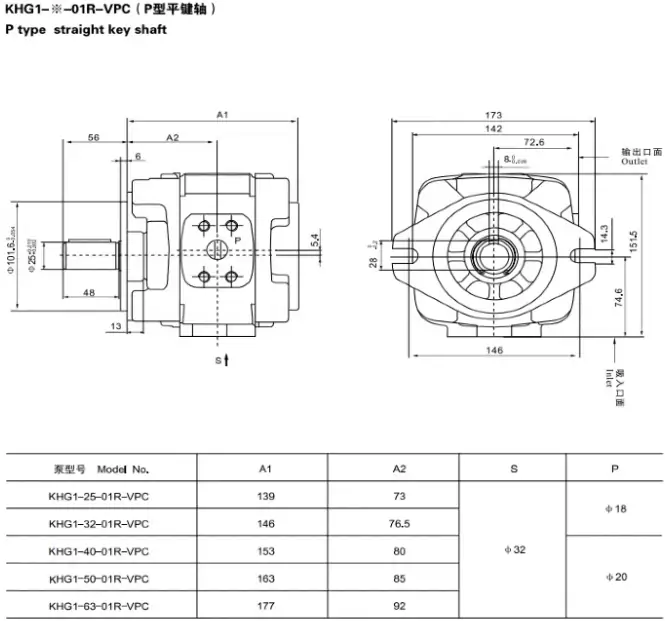
KHG1-25-01R-VPC KHG1-32-01R-VPC KHG1-40-01R-VPC KHG1-50-01R-VPC KHG1-63-01R-VPC
KHG2系列:
KHG2-63-01R-VPC KHG2-80-01R-VPC KHG2-100-01R-VPC KHG2-125-01R-VPC KHG2-145-01R-VPC KHG2-160-01R-VPC
本文由蘇州逐利機電整理發布,如需轉載請瀏覽來源及出處,原文地址:http://www.wangzhezhibo.com/yyyb/145.html






留言信息