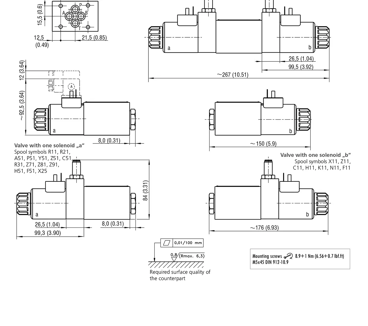
德國雅歌輝托斯ARGO電磁閥RPE3-062R11/02400E1 RPE3-062X11






RPE3- 063Y11/02400E1,RPE3- 063Z11/02400E1
RPE3- 062R11/02400E1,RPE3- 062X11/02400E1
RPE3- 063Y11/02700E1,RPE3-063H11 交流110V
RPE3- 063H11/02400E1,RPE3- 063Y11/01200E1
RPE3- 063Z11/01200E1,RPE3-062R11/02300E1
RPE3-063H11/01200E1,RPE3- 063Y11/02400E1-A
RPE3-063C11/02400E1K1/M,RPE3-062R11/23050E5-A
RPE3-063H11/23050E5,RPE3-063C11/01200E1
RPE3- 063Z11/02400E1-A,RPE3-063Z11/02400E1
RPEW4-063Z11/02400EW1K50,RPE3-062Y51/02400E1K1
RPE3-062Z11/02400E1,RPE3- 063Y11/23000E1
RPE3-062X11/20500E1,RPE3-062X11/20500E1帶防水線
RPE3-062R11/02400E1,RPE3-062X11/02400E1
RPE3-062X11/02400E1K1,RPE3-063Y11/02400E1
16211500-C22B-20500E1-線圈,RPE3-063Y11/02400E1T1V
RPE3-042R91/02400E1,RPE3-063C11/02400E1
RPE3-062X11/01200E1,RPE3-063H11/02400E1
RPE3-062R11/01200E1,RPE3-062Z51/02700E1
205V線圈配2米防水插頭線,RPE3-062H51/02400E1T1-A
RPE3-063Z11/01200E1,RPE3-062X11/02700E1-A
RPE3-062R11/20500E1,RPE3-062R21/01200E1
RPE3-062R21/02400E1,RPE3-062R21/20500E1
RPE3-062Z11/01200E1,RPE3-062Z11/20500E1
RPE3-062A51/02400E1,RPE3-062A51/20500E1
RPE3-062Z51/02400E1,RPE3-062H51/02400E1
RPE3-062H51/20500E1
液壓系統調速閥的修理總結
如果液壓系統中調速閥出現故障了,那么該怎么修理呢?
1.閥體的修理
閥體的修復主要是閥孔,經過較長時間使用后,閥孔一般出現因磨損而失圓和出現錐度及拉傷,一般可研磨修復閥孔有條件的用戶可用金剛石鉸刀修復閥孔,根據修復后的閥孔尺寸,重配閥芯。
2.閥套的修理
閥套經熱壓或冷壓壓在閥體孔內,經過一段時間使用后,閥套孔會因磨損變大而出現精度喪失的現象。需要修復,閥套孔一般修理時不從閥體上壓出,以免壓出后破壞外圓過盈配合,如果更換或修復減壓閥芯,一般只研磨閥套孔即可。

3.閥芯的修理
調速閥閥芯有二,即節流閥閥芯和定壓差減壓閥閥芯。
閥芯在拉傷和磨損不嚴重時,經拋光后能保證與閥孔的間隙仍可繼續使用。但如磨損拉傷嚴重時,須先經無心磨磨去0.05~0.08mm,再電鍍外圓后磨配,或者刷鍍。無刷鍍電鍍設備者,可重新加工一新閥芯。
節流閥閥芯與閥孔配合間隙應保證在0.007~0.015mm的范圍內,閥芯配合表面光潔度不得低于技術要求。減壓閥閥芯大頭與閥孔配合間隙保證在0.015~0.025mm,小頭與閥套配合間隙保證在0.007~0.015mm。
4.閥套的熱壓與冷壓的修理
閥套與閥體孔保持0.002~0.010mm的過盈量,所以裝配時需熱壓或冷壓而不可敲人,以免破壞孔的精度。熱壓時一般在150℃左右的熱油中放人閥體,浸泡5~10min,再將閥套放人閥孔中,取出冷卻便成。冷卻時,可用一瓶消防用的二氧化碳滅火器對準閥套吹,2~3min可收縮到可裝人閥孔內即可。操作時要注意,用二氧化碳滅火器吹時要小心,不能吹在人身上,操作者要戴好手套,以防凍傷。裝配前內孔和頂蓋均要去除污物,表面涂上機油。
本文由蘇州逐利機電整理發布,如需轉載請瀏覽來源及出處,原文地址:http://www.wangzhezhibo.com/yyf/449.html






留言信息